10lb Warn Winch Wiring Diagram

We hope this article can help in finding the information you need.
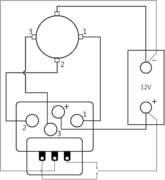
10lb warn winch wiring diagram. This diagram gives information of circuit components as well as. Here is a schematic for all 4 solenoid Warn winches. Collection of xd9000 warn winch wiring diagram.
15042019 Warn Winch Wiring Diagram Solenoid At 62135 To Beautiful With At Warn Winch Wiring Diagram Solenoid. This kit is compatible with WARNs line of ATV winches. You may also connect the positive wire to the.
On the other hand this diagram is a simplified version of the arrangement. 31012020 Wiring a winch would be close to impossible if you lack the necessary materials to complete it. Everything you wanted to know about the Warn M winch including specs parts that with of steel winch cable a roller fairlead a wired winch.
We always effort to show a picture with HD resolution or at least with perfect images. It reveals the elements of the circuit as streamlined forms and the power as well as signal. Read installation and operating instructions thoroughly.
Warn attach 5 wire inline new colors attach 5 wire inline attach. Interconnecting wire routes may be shown approximately where particular receptacles or fixtures must be on a common circuit. This universal wiring kit lets you install an electric brake controller sold separately in your vehicle and a 7 way connector for your trailer lights at the same time.
24082019 Wiring diagram for warn winch valid warn 2500 atv winch wiring. Service parts available for all models of Warn winches. 13032020 According to earlier the traces at a Warn Winch Wiring Diagram signifies wires.