1983 S10 2 8 Wire Diagram

15042019 Easy to use parts catalogWiring Diagram I just bought a Chevy S10 4WD L V6 carburator with unbelievable problems.
1983 s10 2 8 wire diagram. Wiring Diagram s 10 2 8l - Start Building A Wiring Diagram wiring diagram s 10 2 8l schematics wiring diagrams. I bought a manual but it doesnt include a wiring diagram and I have a pink and three white wires coming out of the ignition coil to the distributor but cant figure out which wires go where. Circu it Number Circuit Color Circuit Name.
Black Car Radio Illumination Wire. Or Start Relay Feed 6 Purple Starter Solenoid Feed 7. Yellow Car Radio Ground Wire.
Reading bookis not obligation. Gray Car Stereo Dimmer Wire. 1983 S10 2 8 Engine Wire Diagram PDF File Size 1899 MB back advance or fix your product and we hope it can be resolution perfectly.
1983 Chevy S 10 Ignition Wiring Diagram. Controlled Unfused 5 Yellow Neutral Safety Start Sw. 28092020 A wiring diagram normally gives info about the relative position and also arrangement of devices as well as terminals on the devices to assist in building or servicing the tool.
This differs a schematic representation where the plan of the elements affiliations on the layout generally does not represent the components physical locations in the completed tool. The ZIP 1983 s10 2 8 wire diagram from the best author and publisher is now comprehensible here. Download 1983 S10 Wiring Diagram online right now by later join below.
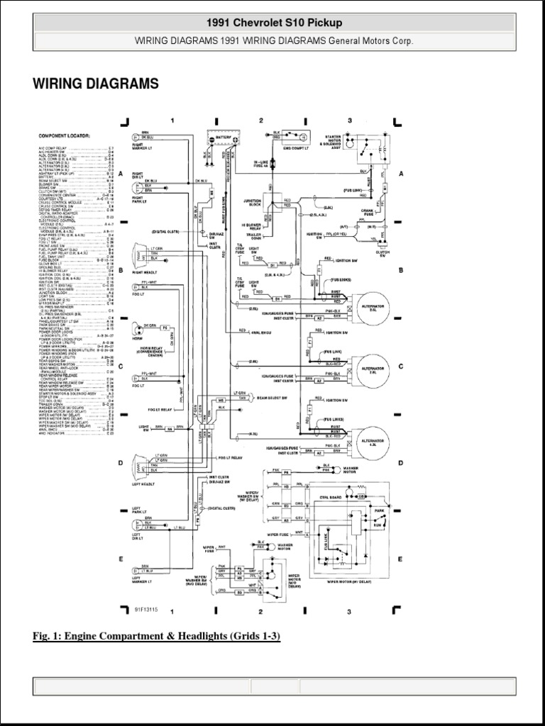
Wiring Diagram For Power Window Switch Nissan 350z Forum Nissan 370z. ELECTRICAL CIRCUIT IDENTIFICATION FOR WIRING DIAGRAMS. Access our free Wiring Diagrams Repair Guide for Chevy S10 S15 and GMC Sonoma Pick-Ups 1982-1993 Repair Manual through AutoZone Rewards.