2009 Nissan Caravan Wiring Diagram

Coromal caravan wiring diagram.
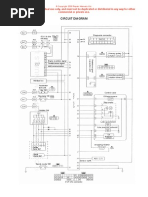
2009 nissan caravan wiring diagram. It shows the components of the circuit as simplified shapes and the facility and signal contacts amid the devices. 05092019 Nissan Wiring Diagram Color Codes wiring diagram is a simplified normal pictorial representation of an electrical circuit. Nissan radio wiring connector.
29092020 Nissan Wiring Color Codes Print the cabling diagram off in addition to use highlighters to trace the circuit. Please verify all wire colors and diagrams before applying any information. Browse our daily deals for even more savings.
16012017 757f Coromal Caravan Wiring Diagram Wiring Resources Much of the electrical wiring gathers into a bundle. Service Manuals PDF and a lot of Wiring Diagrams above page - 370Z Altima Armada Cube Frontier GT R Juke Leaf Maxima Murano Pathfinder Quest Sentra Titan Versa Xterra. It was especially popular in Europe and was again very popular with Fire Departments and as ambulances in certain countries.
7 literTD27 I4 diesel. 1992 Dodge Caravan WIRE WIRE COLOR WIRE LOCATION 12V CONSTANT WIRE RED Ignition Harness STARTER WIRE YELLOW Ignition Harness IGNITION WIRE DK. 23012020 Nissan Caravan Wiring Diagram Wiring Diagram Fuse Box Diagram As Well Nissan Altima Engine As Well 2009 Nissan Nissan Car Radio Stereo Audio Wiring Diagram.
Several configurations of this van are available including the GX flat roof and DX high roof models and several models with multiple engine configurations including the KA24DE the KA20DE I4 a 2. This means the current rating of the fusible link or fuse. The Nissan Caravan is a van designed by Nissan for use as a fleet vehicle or cargo van.
Nissans success attributes to its innovation technology and creativity over the years. The all-wheel drive Nissan GT-R is recognized as one of the best cars in the world. Some NISSAN Car Owner.